Sažetak proizvoda
| VFD solarne pumpe serije RVE35 | | |
| | DC/AC ULAZ | |
| | Profinjen dizajn | |
| | MPPT | |
| Parametarski | ||
| Model | RVE35-T3-5R5GB ~ RVE35-T3-7R5GB |
| Napon | 350VDC do 800/900VDC ulaz, 3 PH 380VAC do 440VAC ulaz | |
| P nazivna (kW) | 5,5/7,5 | |
| Nazivna struja (A) | 13/16A/25A | |
| MPPT Vmp/Voc | 540/660 | |
| Dimenzije (mm) | 265*105*164 | |
Pozadine aplikacija
| Posljednjih godina, sa sve većom ozbiljnošću globalnog "problema s hranom" i "energetskog problema", solarne pumpe za vodu postupno su hvaljene kao učinkoviti proizvodi industrijske integracije za rješavanje problema povećanja proizvodnje efektivno obrađenog zemljišta i zamjene fosilne energije čistom energijom. Kao rezultat toga, rođen je ekonomski model u nastajanju u kojem se solarna industrija razvila u kombinaciji s tradicionalnim industrijama kao što su poljoprivredna zaštita vode, kontrola pustinje, korištenje vode u kućanstvima i urbani vodeni pejzaž. |
Značajke proizvoda
• Praćenje maksimalne točke snage (MPPT) s velikom brzinom odziva i stabilnim radom
• Zaštita od rada na suho (pod opterećenjem).
• Maksimalna strujna zaštita motora
• Zaštita ulaznog napajanja
• Zaštita niske zaustavne frekvencije
• Krivulja performansi PQ (snaga/protok) omogućuje izračun izlaznog protoka iz crpke
• Digitalna kontrola za potpuno automatski rad, pohranu podataka i zaštitne funkcije
• Inteligentni modul napajanja (IPM) za glavni krug
• Upravljačka ploča LED zaslona i podrška za daljinsko upravljanje
• Dostupan je dvostruki ulaz AC i DC napajanja
• Senzor sonde za nizak nivo vode i funkcija kontrole razine vode
• Temperatura okoline za korištenje: -10 do 50˚C.
| Profinjen dizajn Površina ugradnje smanjena za 50% Volumen smanjen za 30% | |
| | Potpuno automatski stroj za trostruko nanošenje boje koristi se za podebljavanje zaštitnog sloja tiskane ploče, učinkovito sprječavajući oštećenje tiskane ploče uzrokovano vjetrom, korozivnim plinom i vlažnim zrakom. |
| | Usvojite potpuno automatsku opremu za otkrivanje za testiranje različitih električnih indikatora i zaštitnih funkcija proizvoda pod nazivnim opterećenjem. |
| | Svi gotovi proizvodi odležavaju pod opterećenjem 48 sati na visokoj temperaturi od 60 stupnjeva, a zatim se pod opterećenjem testiraju svi električni indikatori kako bi se smanjila stopa kvarova proizvoda. |
Nomenklatura modela
Opći tip serije S2:
Vmp 310VDC ili 220VAC ulaz, 1/3 faza 0-220 (prikaz, stručni). (prikaz, stručni). (prikaz, stručni). (prikaz, stručni). (prikaz, stručni).VAC izlaz
| Model | Nazivna struja (A) | Izlazni napon ( VAC ) | Primjenjivo za snagu (kW) pumpe | Vanjska veličina pogona V*Š*D (mm) | MPPT Vmp/Voc |
| RVE35-S2-0R7G | 4 | 0-220 | 0.75 | 187*86*152 | 310/372 |
| RVE35-S2-1R5G | 7 | 0-220 | 1.5 | ||
| RVE35-S2-2R2G | 10 | 0-220 | 2.2 | ||
| RVE35-S2-3G | 13 | 0-220 | 3 | 265*105*164 | |
| RVE35-S2-4G | 16 | 0-220 | 4 |
Opći tip serije T3:
Vmp540 do 650VDC ili 380 do 460VAC ulaz, 3 faze 0-380/460VAC izlaz
| Model | Nazivna struja (A) | Izlazni napon ( VAC ) | Primjenjivo za snagu (kW) pumpe | Vanjska veličina pogona V*Š*D (mm) | MPPT Vmp/Voc |
| RVE35-T3-0R7GB | 2,5/3,7 | 0-380/440 | 0.75 | 187*86*152 | 540/660 |
| RVE35-T3-1R5GB | 3,7/5 | 0-380/440 | 1.5 | ||
| RVE35-T3-2R2GB | 5/10 | 0-380/440 | 2.2 | ||
| RVE35-T3-4GB | 10/13 | 0-380/440 | 4.0 | ||
| RVE35-T3-5R5GB | 13/16 | 0-380/440 | 5.5 | 265*105*164 | |
| RVE35-T3-7R5GB (plastično kućište) | 16/25 | 0-380/440 | 7.5 | ||
| RVE35-T3-7R5GB (željezno kućište) | 16/25 | 0-380/440 | 7.5 | 333*150*216 | |
| RVE35-T3-11GB | 25/32 | 0-380/440 | 11 | ||
| RVE35-T3-15GB | 32/38 | 0-380/440 | 15 | ||
| RVE35-T3-18GB | 38/45 | 0-380/440 | 18 | 383*180*228 | |
| RVE35-T3-22GB | 45/60 | 0-380/440 | 22 | ||
| RVE35-T3-30GB | 60/75 | 0-380/440 | 30 | 435*175*265 | |
| RVE35-T3-37GB | 75/90 | 0-380/440 | 37 | ||
| RVE35-T3-45G | 90/110 | 0-380/440 | 45 | 670*265*358 | |
| RVE35-T3-55G | 110/150 | 0-380/440 | 55 | ||
| RVE35-T3-75G | 150/170 | 0-380/440 | 75 | ||
| RVE35-T3-90G | 170/210 | 0-380/440 | 90 | 845*305*358 | |
| RVE35-T3-110G | 210A/250 | 0-380/440 | 110 | ||
| RVE35-T3-132G | 250A/300 | 0-380/440 | 132 | ||
| RVE35-T3-160G | 300A/340 | 0-380/440 | 160 | 788*500*360 | |
| RVE35-T3-185G | 340/380 | 0-380/440 | 185 | ||
| RVE35-T3-200G | 380/415 | 0-380/440 | 200 | 900*540*358 | |
| RVE35-T3-220G | 415/470 | 0-380/440 | 220 | ||
| RVE35-T3-250G | 470/520 | 0-380/440 | 250 | ||
| RVE35-T3-280G | 520/600 | 0-380/440 | 280 | 1035*620*400 | |
| RVE35-T3-315G | 600/680 | 0-380/440 | 315 | ||
| RVE35-T3-355G | 680/750 | 0-380/440 | 355 | 1290*780*410 | |
| RVE35-T3-400G | 750/810 | 0-380/440 | 400 |
Izvrsna izvedba
| | Vektorska kontrola visokih performansi za poboljšanje točnosti opreme |
| Maksimalna izlazna frekvencija pod vektorskom kontrolom doseže 1500 Hz, čime se može postići izlaz brzine visoke preciznosti unutar raspona regulacije brzine 10-strukog slabog magneta. | |
| | |
| | Savršen pogon za sinkrone motore |
| Trenutni valni oblik sinkronog motora u načinu vektorskog upravljanja otvorenom petljom na 500 Hz sa 100% nazivnog opterećenja. | |
| | |
| | Pouzdan dizajn za odvođenje topline |
| Tehnologija dizajna neovisnog dvostrukog zračnog kanala može ostvariti korištenje pogona solarne pumpe s temperaturom prstena od 50 ℃ bez smanjenja kapaciteta. |
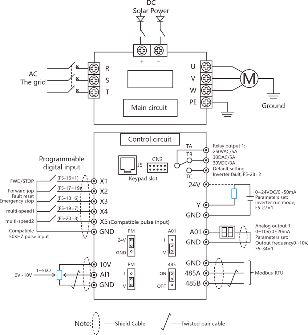
Dijagram ožičenja
Za proizvode RVE35 0,75kw-7,5kw obratite pažnju na sljedeće:
1. Proizvod ne sadrži X6 i X7 logičke ulazne terminale;
2. Proizvod uključuje samo 1 analogni ulaz, 1 analogni izlaz i 1 relejni izlaz











































